عداد غاز بغشاء مع علبة ألومنيوم G1.6B ~ G6B
مقدمة المنتج
مقياس الغاز الغشائي مع علبة الألمنيوم قابل للتطبيق على الغاز الطبيعي ، غاز البترول المسال ، الغاز الاصطناعي ، الميثان ، الهواء المشترك والغاز غير القابل للتآكل.تتوافق معلمات عدادات الغاز مع متطلبات.
مواصفات المنتج
مادة العلبة: سبائك الألومنيوم عالية المواصفات ADC12
عملية الحالة: قالب آلي ذكي من قطعة واحدة (روبوت FANUC الياباني)
مكون الحركة: حركة الكل في واحد
هيكل الصمام: صمام دوار
مضاد للسرقة مدمج: جهاز مدمج مضاد للتدفق العكسي ، حماية شبكية مدمجة ، حماية ضد العبث
تكنولوجيا الصمام المنزلق: تقنية طحن خالية من الرمال عالية الدقة ألمانية
تكنولوجيا الحركة: تكنولوجيا اللحام بالموجات فوق الصوتية ، عملية الحركة المستقرة
تكنولوجيا السطح: مسحوق رش فائق النعومة مقاوم للطقس مستورد ، مقاومة درجات الحرارة العالية ؛تكنولوجيا المعالجة المضادة للتآكل نانو سيراميك الزركونيوم ، مقاومة قوية للتآكل ؛التكامل الذكي الأوتوماتيكي لتكنولوجيا الرش الكهروستاتيكي ، تشطيب السطح الأملس
المعايرة: اعتماد فوهة صوتية وجرس مبيت مزدوج معايرة لضمان دقة القياس
التكيف البيئي: يمر العداد باختبار التشغيل الديناميكي بالتناوب بين درجات الحرارة العالية والمنخفضة لضمان أداء العداد
معلمات المنتج
المعلمات | وحدة | نموذج | |||
G1.6B | G2.5B | G4B | G6B | ||
معدل التدفق الاسمي | m3/ ح | 1.6 | 2.5 | 4 | 6 |
معدل التدفق الأقصى | m3/ ح | 2.5 | 4 | 6 | 10 |
معدل التدفق الأدنى | m3/ ح | 0.016 | 0.025 | 0.04 | 0.06 |
أقصى ضغط | كيلو باسكال | 50 | |||
حدود خطأ التسجيل | % | 0.1Qmax≤Q≤Qmax ± 1.5 Qmin≤Q <0.1Qmax ± 3 | |||
فقدان الضغط | بنسلفانيا | ≤200 | |||
ضيق الهواء | كيلو باسكال | لا يوجد تسرب تحت ضغط 50 كيلو باسكال | |||
الأداء تحت عملية مستمرة | تعمل بشكل مستمر تحت Qmax لمدة 2000 ساعة وسوف يؤكد الأداء مع المعلمات التقنية أعلاه | ||||
درجة حرارة العمل | ℃ | -20 40 | |||
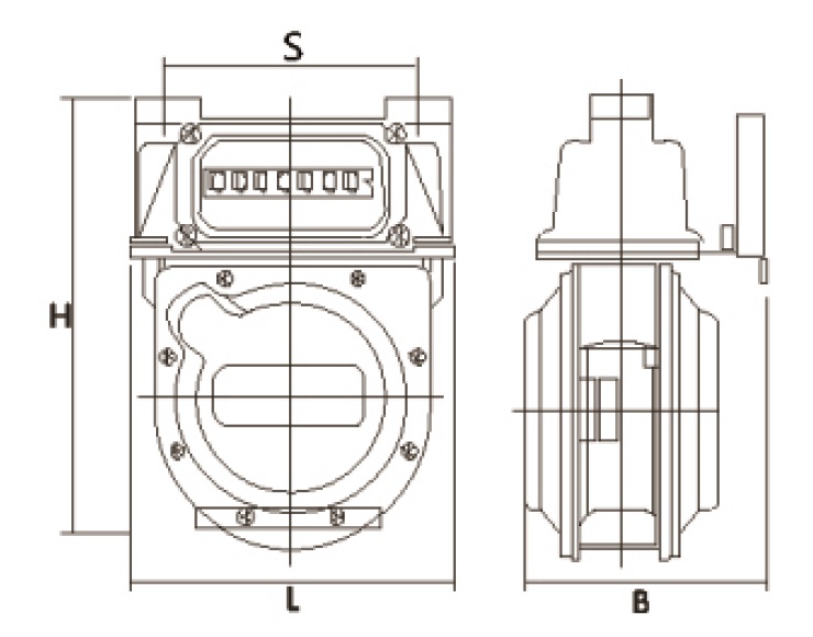
الحجم (L × BxH) | مم | 168 × 124 × 220 | 172 × 135 × 225 | 195 × 152 × 250 | 240 × 160 × 295 |
خيط مدخل ومخرج | M30x2 | M30x2 | م | م | |
المسافة بين (S) | مم | 130 | 130 | 130 | 160 |
وزن | كلغ | 1.60 | 1.80 | 2.10 | 3.40 |
عداد غاز بغشاء مع علبة ألومنيوم G1.6B ~ G6B
مقدمة المنتج
مقياس الغاز الغشائي مع علبة الألمنيوم قابل للتطبيق على الغاز الطبيعي ، غاز البترول المسال ، الغاز الاصطناعي ، الميثان ، الهواء المشترك والغاز غير القابل للتآكل.تتوافق معلمات عدادات الغاز مع متطلبات.
مواصفات المنتج
مادة العلبة: سبائك الألومنيوم عالية المواصفات ADC12
عملية الحالة: قالب آلي ذكي من قطعة واحدة (روبوت FANUC الياباني)
مكون الحركة: حركة الكل في واحد
هيكل الصمام: صمام دوار
مضاد للسرقة مدمج: جهاز مدمج مضاد للتدفق العكسي ، حماية شبكية مدمجة ، حماية ضد العبث
تكنولوجيا الصمام المنزلق: تقنية طحن خالية من الرمال عالية الدقة ألمانية
تكنولوجيا الحركة: تكنولوجيا اللحام بالموجات فوق الصوتية ، عملية الحركة المستقرة
تكنولوجيا السطح: مسحوق رش فائق النعومة مقاوم للطقس مستورد ، مقاومة درجات الحرارة العالية ؛تكنولوجيا المعالجة المضادة للتآكل نانو سيراميك الزركونيوم ، مقاومة قوية للتآكل ؛التكامل الذكي الأوتوماتيكي لتكنولوجيا الرش الكهروستاتيكي ، تشطيب السطح الأملس
المعايرة: اعتماد فوهة صوتية وجرس مبيت مزدوج معايرة لضمان دقة القياس
التكيف البيئي: يمر العداد باختبار التشغيل الديناميكي بالتناوب بين درجات الحرارة العالية والمنخفضة لضمان أداء العداد
معلمات المنتج
المعلمات | وحدة | نموذج | |||
G1.6B | G2.5B | G4B | G6B | ||
معدل التدفق الاسمي | m3/ ح | 1.6 | 2.5 | 4 | 6 |
معدل التدفق الأقصى | m3/ ح | 2.5 | 4 | 6 | 10 |
معدل التدفق الأدنى | m3/ ح | 0.016 | 0.025 | 0.04 | 0.06 |
أقصى ضغط | كيلو باسكال | 50 | |||
حدود خطأ التسجيل | % | 0.1Qmax≤Q≤Qmax ± 1.5 Qmin≤Q <0.1Qmax ± 3 | |||
فقدان الضغط | بنسلفانيا | ≤200 | |||
ضيق الهواء | كيلو باسكال | لا يوجد تسرب تحت ضغط 50 كيلو باسكال | |||
الأداء تحت عملية مستمرة | تعمل بشكل مستمر تحت Qmax لمدة 2000 ساعة وسوف يؤكد الأداء مع المعلمات التقنية أعلاه | ||||
درجة حرارة العمل | ℃ | -20 40 | |||
الحجم (L × BxH) | مم | 168 × 124 × 220 | 172 × 135 × 225 | 195 × 152 × 250 | 240 × 160 × 295 |
خيط مدخل ومخرج | M30x2 | M30x2 | م | م | |
المسافة بين (S) | مم | 130 | 130 | 130 | 160 |
وزن | كلغ | 1.60 | 1.80 | 2.10 | 3.40 |
مع تحسن مستويات المعيشة وزيادة الوعي بحماية البيئة ، تغير الناس من استخدام أنواع الوقود التقليدية مثل الحطب والفحم ، والتي تعتبر مهدرة وملوثة ، إلى استخدام الطاقة النظيفة مثل الغاز الطبيعي والغاز ، أو حتى الكهرباء.هذا هو المكان الذي شارك فيه عداد الغاز الحاجز
مقياس الغاز المدني الغشائي عبارة عن مقياس تدفق غاز طبيعي موجب الإزاحة تستخدمه شركات المرافق لفواتير التطبيقات السكنية والتجارية الخفيفة.تتمثل مزاياها في تقنيتها التي أثبتت جدواها وقياسها الموثوق وجودتها المتسقة.بعد ذلك ، نلقي نظرة على عداد غاز الحجاب الحاجز
عداد غاز الغشاء المدفوع مسبقًا لبطاقة IC عبارة عن عداد غاز بغشاء مع وظيفة الدفع المسبق.يعتمد على عداد غاز غشائي مع جهاز إرسال ، باستخدام بطاقة IC كوسيط ، مزود بوحدة تحكم إلكترونية وصمام كهربائي.يدعم عداد غاز الغشاء المدفوع مسبقًا لبطاقة IC هذا العديد من
عداد الغاز الصناعي ببطاقة IC هو مقياس غاز صناعي تجاري وصناعي يشتمل على أفضل المنتجات المحلية والدولية.لقد تم تطويره بروح مبتكرة وخبرة مترات Kinhil لأكثر من 20 عامًا.عدادات الغاز هذه مناسبة للقاء
مقياس غاز الحجاب الحاجز الذكي IoT هو مقياس غاز غشائي يعتمد على تقنية الإنترنت +.يزود شركة الغاز بمعلومات دقيقة وفي الوقت المناسب عن العداد.في الوقت نفسه ، يسهل التحكم عن بعد والإدارة عن بعد لعداد الغاز من قبل شركة الغاز.عداد القاعدة
اقترضت هنا أولاً من شخص في الصناعة: إذا كانت تقنية NB-IoT تسمح لمقياس الغاز بإدخال أجنحة الاتصالات الذكية ، فإن تقنية القياس بالموجات فوق الصوتية هي حقن مجموعة العضلات الأساسية لمقياس الغاز ، في تقنية القياس كانت بشكل أساسي ، من أجل ال
في الوقت الحاضر ، تتقدم صناعة عداد تدفق الغاز بالموجات فوق الصوتية باستمرار في مختلف البلدان ، وتشرع شركات قياس تدفق الغاز بالموجات فوق الصوتية تدريجياً في طريق البقاء والتطوير من خلال الإدارة الجيدة ، وتحسين جودة الخدمة ، وفرض رسوم على إدارة السلامة والمقاييس.
يمكن استخدام مقياس تدفق الغاز بالموجات فوق الصوتية بعدة طرق: الموجات فوق الصوتية ، والضغط ، ودرجة الحرارة ، وغيرها من تقنيات الكشف والتحكم المتوافقة مع المجسات المتعددة لست فئات من النطاقات كبيرة الحجم.نوع خاص من الغرف مع اختراع حاصل على براءة اختراع يتيح المعايرة الذاتية وأقصر st
منصة إدارة البيانات عبارة عن نظام يعمل على تحسين نموذج دفع الطاقة التقليدي باستخدام طريقة الشراء والاستخدام والفصل التلقائي للكهرباء لتحقيق تكامل الفائض والشحن والتحكم ، مما يجعل دفع الطاقة أسهل وأكثر كفاءة.داتا كوم
تُستخدم منصة إدارة البيانات في مجالات إدارة الطاقة في المجمعات التجارية والمناطق السكنية ومباني المكاتب والمحلات التجارية والمدارس والمصانع والمناجم.كما أنه يقلل من الموظفين والتكاليف خلال الفترة ، مما يقلل بشكل كبير من تكاليف فواتير الإدارة وبالتالي تعزيز e
مع استمرار تحسن مستويات المعيشة ، أصبح الناس أكثر فأكثر صداقة للبيئة ، ويتم التخلي تدريجياً عن مصادر الطاقة التقليدية التي تلوث بشدة.مع بناء وتعميم خطوط أنابيب نقل الغاز ، ظهرت عدادات الغاز من الميكانيكية
عداد الغاز بالموجات فوق الصوتية للقضاء على حوادث الغاز في مهدها في الآونة الأخيرة ، كانت انفجارات الغاز في أذهان الناس في جميع أنحاء العالم ، والأخبار حول سلامة الغاز في كل مكان.مع الزيادة السريعة في عدد مستخدمي الغاز ، أصبحت حوادث سلامة الغاز في المدن ثالث أكبر قاتل
مقياس الغاز فوق الصوتي هو الأساس لتسوية تجارة الطاقة.في السنوات الأخيرة ، تم تفضيل طرق القياس الإلكترونية مثل الموجات فوق الصوتية والحرارية لأنها أكثر دقة وموثوقية واستقرارًا في التشغيل وخالية من الصيانة ، وقد أحدثت تغييرًا مهمًا في عداد الغاز
مع استمرار تحسن مستويات المعيشة ، أصبح الناس أكثر وعياً بالبيئة ويتم التخلي تدريجياً عن مصادر الطاقة التقليدية التي تلوث بشدة.في الستينيات والسبعينيات ، أدخلت الدولة أيضًا سياسات خطوط أنابيب الغاز والتدابير المقابلة.مع التفسير
يستخدم مقياس الغاز بالموجات فوق الصوتية الموجات الصوتية لتحديد السرعة التي يتدفق بها السائل عبر الأنبوب.في ظل الظروف غير المتدفقة ، يكون تردد الموجات فوق الصوتية المنقولة إلى الأنبوب هو نفسه التردد الذي تعكسه من السائل.تحت ظروف التدفق ، تردد المرجع
كاشف تسرب الغاز مستخدم لاكتشاف التسرب واختبار إحكام الغاز والصيانة التنبؤية.عادة ما يشير الكشف عن الموجات فوق الصوتية إلى نطاق تردد أعلى من 20 كيلو هرتز ، بينما يمكن أن يستقبل الحد الأعلى للأذن البشرية 16.5 كيلو هرتز ، واستخدام هذه الخاصية فوق الصوتية
كيفية استخدام كاشف تسرب الغاز جهاز إنذار تسرب الغاز هو أداة تستخدم للكشف عن تركيز تسرب الغاز ، والذي يمكنه الكشف عن تركيز الغاز في البيئة.على سبيل المثال ، هناك بعض الغازات السامة والخطرة أو الغازات القابلة للاحتراق في الإنتاج الصناعي ، لذا يمكنك الإسراع
وضع التطور السريع لأعمال الغاز في المدينة قياس الغاز على أساس مهم إلى حد ما.لا تُستخدم عدادات الغاز فقط لقياس النقل في خطوط أنابيب الغاز وقياس الغاز في المؤسسات الصناعية والتعدين ومؤسسات الرفاهية ، ولكنها أيضًا شائعة في ملايين الساعات.
وفقًا للإحصاءات ، تجاوز الاستخدام عبر الإنترنت للغاز المدني الغشائي 50 مليون وحدة.مع تطوير وتطبيق الغاز الطبيعي في الصين ، تم الانتهاء من الخطين الأول والثاني من مشروع 'غرب-شرق نقل الغاز ' ومشروع 'شنشي غاز إلى بكين ' ، أو
مقياس الغاز المدني الغشائي هو أداة للقياس الدقيق لتدفق غاز خط الأنابيب ، والذي يستخدم على نطاق واسع في البترول والكيماويات والطاقة الكهربائية والمراجل الصناعية وغيرها من مجالات قياس الغاز ، والتي تنطبق على الغاز الطبيعي وغاز المدينة والبروبان والبيوتان والإيثيلين والهواء والنيتروجين والغازات الأخرى.تي